-
产品目录
- 关于我们
- 联系我们
- 发送询盘
- 021-64195792
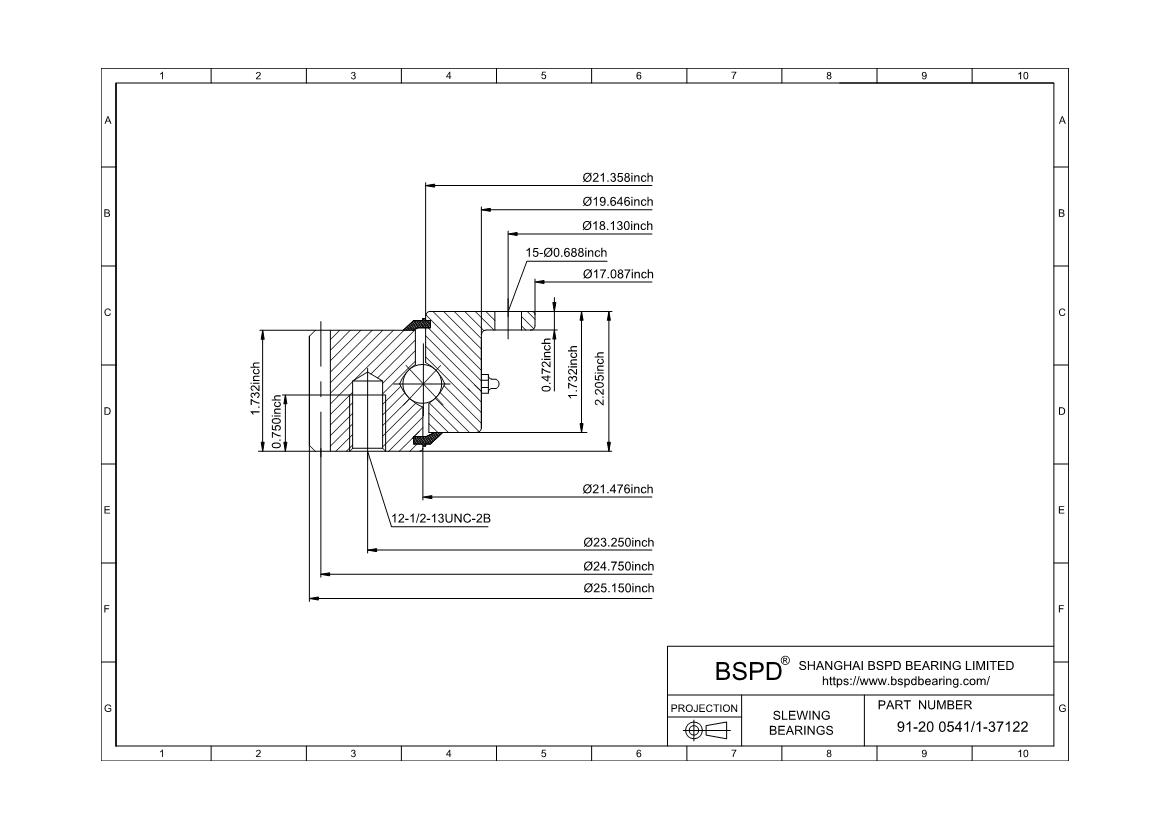
91-20 0541/1-37122 IMO 回转支承轴承
尺寸: 孔(内)径: 17.087; 外直径: 25.15; 宽度(厚度): ;

发送询盘
产品细节
| 规格 | |
| 产品型号 | 91-20 0541/1-37122 |
| 齿轮 | 外齿 |
| 几何学 | |
| 重量(G) | 91 |
| 外径(D)外圈(Da) | 25.15 |
| 内径(d)(d)内圈(di) | 17.087 |
| 内径(d)(d)外圈(Di) | 21.476 |
| 外径(D)内圈(da) | 21.358 |
| 外圈直径 (a) | |
| 直径内圈 (b) | |
| 安装孔 | |
| 节圆直径 外圈 (La) | 23.25 |
| 外圈孔数 (na) | 12 |
| 节圆直径 内圈 (Li) | 18.13 |
| 内圈孔数 (ni) | 15 |
| 齿轮和齿力 | |
| 节圆直径 (do) | 24.75 |
| 径节 (Pd) | 4 |
| 齿数 (Z2) | 99 |
| 许用齿力(fz norm)(lbs) | 2540 |
| 最大允许齿力 (fz max)(lbs) | 5800 |
| 额定负载 | |
| 静态钴(lbs) | 34845 |
| 静态 Co Max(lbs) | 81381 |
| 动态 C rad(lbs) | 38892 |
| 动态 C Max(lbs) | 39117 |
打印 PDF
回转支承轴承 91-20 0541/1-37122 的类型是什么?IMO 回转支承轴承制造服务。免费获取即时价格、设计审查、库存和交货时间。
最小订单数量:协商价格:协商
- 快速交付 √
- 优质产品 √
- 价格实惠 √
本月十大最畅销产品

