- 
                                产品目录 
- 关于我们
- 联系我们
- 发送询盘
- 021-64195792
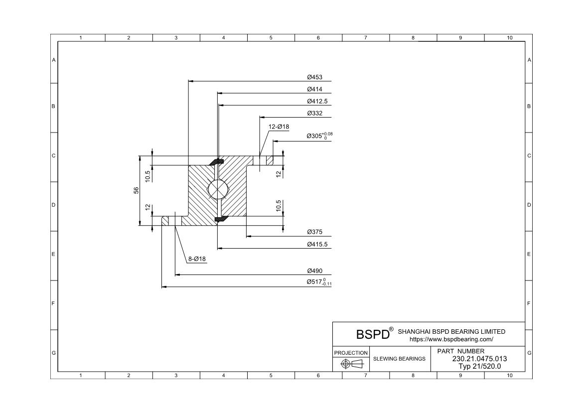
        230.21.0475.013 Type 21/520.0                公制回转支承轴承2
                     
                尺寸: 孔(内)径: 305 mm; 外直径: 517 mm; 宽度(厚度): 56;
            
                    

发送询盘
            
    
        
       
                
                
        
    产品细节
            | 规格 | |
| 产品型号 | 230.21.0475.013 类型 21/520.0 | 
| 许用切向力,法向(X1) | - | 
| 允许切向力,最大值(X2) | - | 
| 外形尺寸和重量 | |
| 重量(KG) | 23,4 | 
| 滚道直径(Dl) | 414 | 
| 外径(D)(Da) | 517 ? 0,11 | 
| 内径(d)(d)(Di) | 305 + 0,08 | 
| 总高度(H) | 56 | 
| 直径(O) | 412,5 | 
| 直径(U) | 415,5 | 
| 直径(A) | 453 | 
| 直径(C) | 375 | 
| 环高(H1) | - | 
| 环高(H2) | - | 
| 底部距离 外圈/内圈(Hu) | 10,5 | 
| 顶部距离 外圈/内圈(Ho) | 10,5 | 
| Attachment | |
| 外孔圆直径 (La) | 490 | 
| 外侧孔数(na) | 8 | 
| 螺栓孔直径(B) | 18 | 
| 螺栓尺寸(M) | - | 
| 螺纹深度 (t) | - | 
| 螺栓孔内圆直径(Li) | 332 | 
| 内孔数(ni) | 12 | 
| 螺栓尺寸(M) | - | 
| 螺纹深度 (t) | - | 
| 螺栓孔直径(B) | 18 | 
| 内圈孔尺寸(Bi) | |
| 螺栓孔圆直径(d) | - | 
| 模块(米) | - | 
| 齿数(z) | - | 
| 轮廓偏移,符合 DIN 3960 标准 1976 年 10 月 (x.m) | - | 
| 尖端高度修改(k.m) | - | 
| 齿宽(b) | - | 
| 螺纹深度 (t) | - | 
| 牙颈根高直径(Zu) | - | 
| 齿颈高度(Hu) | - | 
| 轴承间隙(轴向) | ? 0 to 0,03 | 
| 轴承间隙(径向) | ? 0 to 0,03 | 
| 油嘴数量 (n1) | 4 | 
 
            
                打印 PDF
                
                                
        
                    回转支承轴承 230.21.0475.013 Type 21/520.0 的类型是什么?公制回转支承轴承2制造服务。免费获取即时价格、设计审查、库存和交货时间。
                    
                    
                                        
                    最小订单数量:协商价格:协商
                    
                                
            - 快速交付 √
- 优质产品 √
- 价格实惠 √
本月十大最畅销产品

