-
产品目录
- 关于我们
- 联系我们
- 发送询盘
- 021-64195792
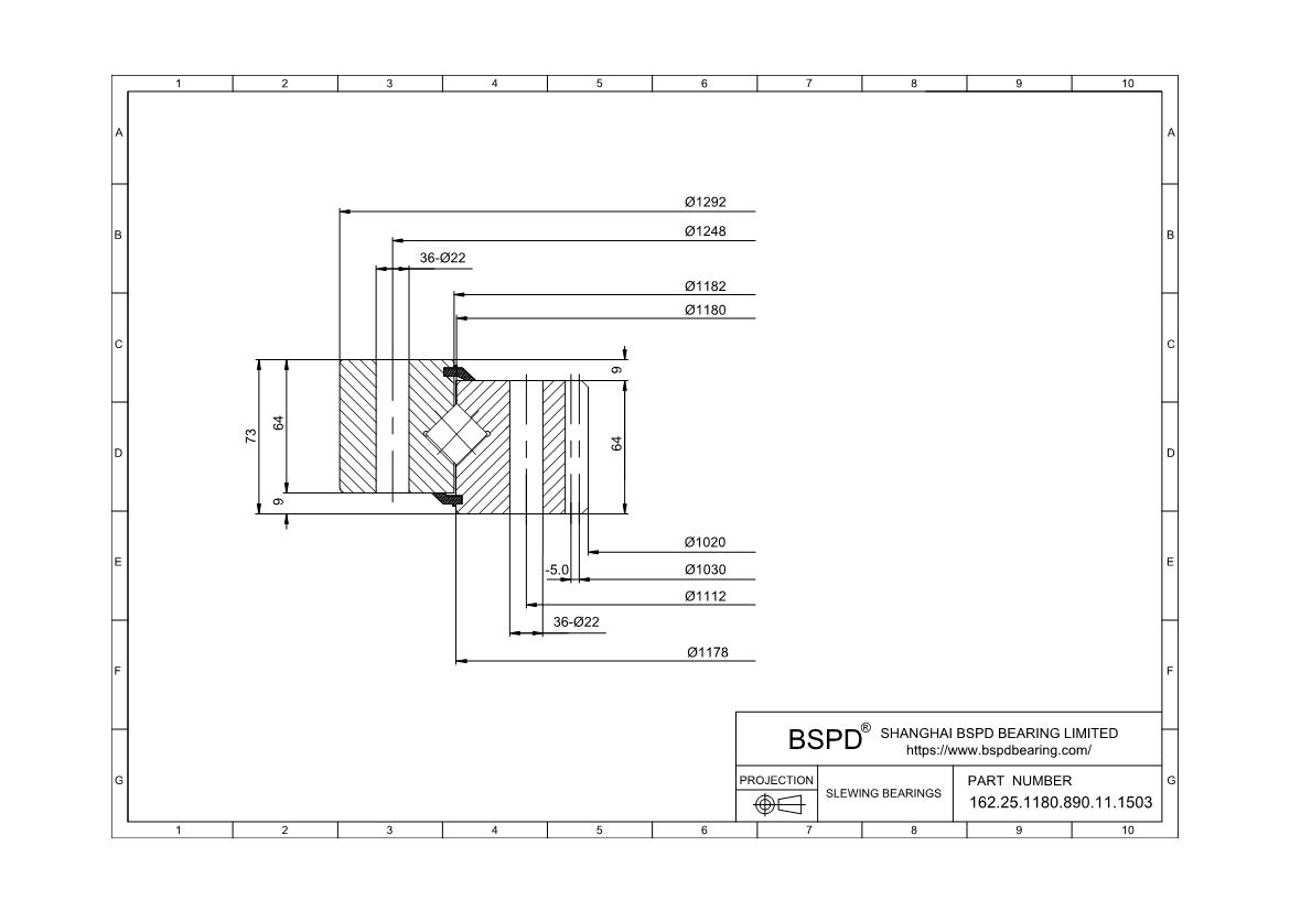
162.25.1180.890.11.1503 公制回转支承轴承2
尺寸: 孔(内)径: 1020 mm; 外直径: 1292 mm; 宽度(厚度): 73;

发送询盘
产品细节
| 规格 | |
| 产品型号 | 162.25.1180.890.11.1503 |
| 许用切向力,法向(X1) | 40.1 |
| 允许切向力,最大值(X2) | 80.2 |
| 外形尺寸和重量 | |
| 重量(KG) | 202 |
| 滚道直径(Dl) | 1180 |
| 外径(D)(Da) | 1292 |
| 内径(d)(d)(Di) | 1020 |
| 总高度(H) | 73 |
| 直径(O) | 1182 |
| 直径(U) | 1178 |
| 直径(A) | |
| 直径(C) | |
| 环高(H1) | 64 |
| 环高(H2) | 64 |
| 底部距离 外圈/内圈(Hu) | 9 |
| 顶部距离 外圈/内圈(Ho) | 9 |
| Attachment | |
| 外孔圆直径 (La) | 1248 |
| 螺栓孔内圆直径(Li) | 1112 |
| Number of holes per holt-hole circle(n) | 36 |
| 螺栓孔直径(B) | 22 |
| 螺栓尺寸(M) | 20 |
| 内圈孔尺寸(Bi) | |
| 螺栓孔圆直径(d) | 1030 |
| 模块(米) | 10 |
| 齿数(z) | 103 |
| 轮廓偏移,符合 DIN 3960 标准 1976 年 10 月 (x.m) | -5 |
| 尖端高度修改(k.m) | - |
| 齿宽(b) | 64 |
| 牙颈根高直径(Zu) | |
| 油嘴数量 (n1) | 6 |
打印 PDF
回转支承轴承 162.25.1180.890.11.1503 的类型是什么?公制回转支承轴承2制造服务。免费获取即时价格、设计审查、库存和交货时间。
最小订单数量:协商价格:协商
- 快速交付 √
- 优质产品 √
- 价格实惠 √
本月十大最畅销产品

