-
产品目录
- 关于我们
- 联系我们
- 发送询盘
- 021-64195792
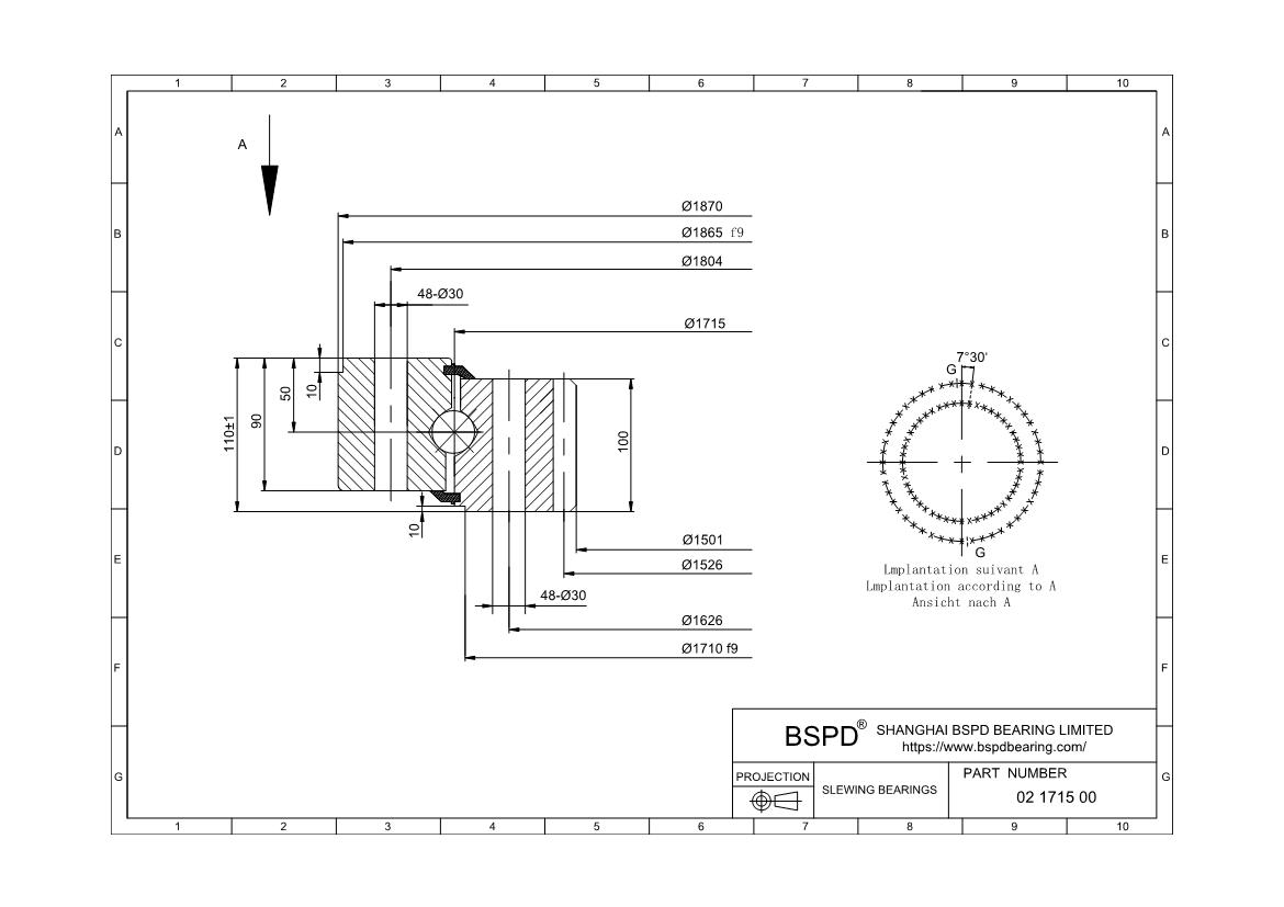
02 1715 00 公制回转支承轴承
尺寸: 孔(内)径: 1501.0; 外直径: 1870.0; 宽度(厚度): ;

发送询盘
产品细节
| 规格 | |
| 产品型号 | 02 1715 00 |
| 齿轮 | 内齿轮 |
| 几何学 | |
| 外径(D) (DR) | 1870 |
| 内径(d)(d) (di) | 1501 |
| 高度(H) | 110 |
| 重量(kg) | 607 |
| 内圈孔尺寸(Bi) | |
| 齿轮节圆直径 (D2) | 1526 |
| 模块(米) | 14 |
| 齿数(z) | 108 |
| 轮齿压力角 (?) | 20 |
| 齿形 | Droite |
| 安装孔 | |
| 外圈螺栓圆 (Lo) | 1804 |
| 外圈孔数(无) | 48 |
| 内圈螺栓圆 (Li) | 1626 |
| 内圈孔数 (ni) | 48 |
| 以毫米为单位的测量值 | |
| 最大挠度 | |
| MAXIMUM MEASUREMENT IN 1 POINT | |
打印 PDF
回转支承轴承 02 1715 00 的类型是什么?公制回转支承轴承制造服务。免费获取即时价格、设计审查、库存和交货时间。
最小订单数量:协商价格:协商
- 快速交付 √
- 优质产品 √
- 价格实惠 √
本月十大最畅销产品

