-
产品目录
- 关于我们
- 联系我们
- 发送询盘
- 021-64195792
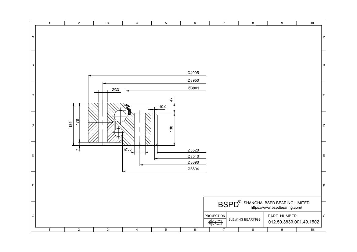
012.50.3839.001.49.1502 公制回转支承轴承2
尺寸: 孔(内)径: 3520 mm; 外直径: 4005 mm; 宽度(厚度): 185;

发送询盘
产品细节
| 规格 | |
| 产品型号 | 012.50.3839.001.49.1502 |
| 许用切向力,法向(X1) | 240,0 |
| 允许切向力,最大值(X2) | 240,0 |
| 几何学 | |
| 重量(KG) | 240,0 |
| 滚道直径(Dl) | 3839 |
| 外径(D)(Da) | 4005 |
| 内径(d)(d)(Di) | 3520 |
| 总高度(H) | 185 |
| 外孔圆直径 (La) | 3950 |
| 螺栓孔内圆直径(Li) | 3690 |
| Attachment | |
| 每孔圈螺栓孔数(n) | |
| 孔径(B) | 33 |
| 螺栓尺寸(M) | 30 |
| 油嘴数(n1) | 6 |
| 直径(O) | 3801 |
| 直径(U) | 3804 |
| 环高(H1) | 138 |
| 环高(H2) | 178 |
| 底部外圈/内圈之间的距离(Hu) | 7 |
| 顶部距离 外圈/内圈(Ho) | 47 |
| 内圈孔尺寸(Bi) | |
| 螺栓孔圆直径(d) | 3540 |
| 模块(米) | 20 |
| 齿数(z) | 177 |
| 轮廓偏移,符合 DIN 3960 标准 1976 年 10 月 (x.m) | –10,0 |
| 尖端高度修改(k.m) | - |
| 齿宽(b) | 138 |
| 螺纹深度 (t) | - |
| 牙颈根高直径(Zu) | - |
| 齿颈高度(Hu) | - |
打印 PDF
回转支承轴承 012.50.3839.001.49.1502 的类型是什么?公制回转支承轴承2制造服务。免费获取即时价格、设计审查、库存和交货时间。
最小订单数量:协商价格:协商
- 快速交付 √
- 优质产品 √
- 价格实惠 √
本月十大最畅销产品

